×
close

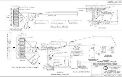
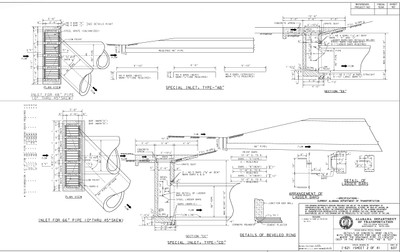
Inlets Grates & Frames

Batey & Sanders provides a full line of high-quality inlet DOT approved catch basin inlet frames and grates. Available in a wide variety of sizes, shapes and styles, you are sure to find an inlet perfect for your needs. Select from a wide selection products including adjustable riser rings, curb & gutter inlets, rectangle and square grates, rings & covers as well as roadway pipe & side drain pipe end treatments.

sidebar:

Batey and Sanders parts are compatible with the makes and/or models of the third-party equipment described. Batey and Sanders does not have an affiliation with all manufacturers of these third-party products. All brands, original equipment manufacturer (OEM) part numbers or references are owned by the respective OEM entities or their affiliates. These terms are used by Batey and Sanders for identification and cross reference purposes only and are not intended to indicate affiliation with, or approval by the OEM, of Batey and Sanders or its products.

Customer Reviews

Need help? We're available at256-442-3491 - Email:info@bateyandsanders.com
to top